自动装箱机为伺服平移抓取式装箱机,适用于10L及以下料桶的装箱。可根据客户的需求,设计特殊机型。
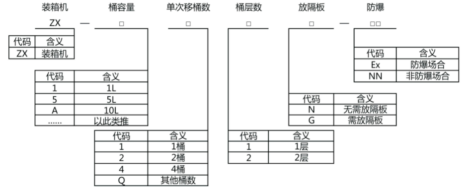
产品选型表

例:ZX-542N-Ex表示装箱机参数为:最大桶容量为5L,单次移桶数为4桶,桶层数为2层,无需放箱内隔板,可选配防爆场合。
用于完成运输包装,将包装成品按一定排列方式和定量装入箱中,可快速对产品分选整形,然后抓取入箱
可适用1L-20L桶的装箱:装箱产品的布局和层数可定制
工作可靠:由特殊启动夹具来实现对产品的抓取,整个装箱过程采用伺服系统完成提升、平移与下放,动作协调,运动平稳精准
设计稳定,结构紧凑,根据装箱要求,自动将产品整理排列
丰富的通讯接口可选,支持多种工业标准通讯接口,可以与DCS、WMS、ERP等系统对接互通数据
整线操作简单,运行稳定,设备运行时只需一人现场巡视准备包材即可,大大节省人工人力同时还提高生产效率
防爆机型:防爆非防爆机型可选