
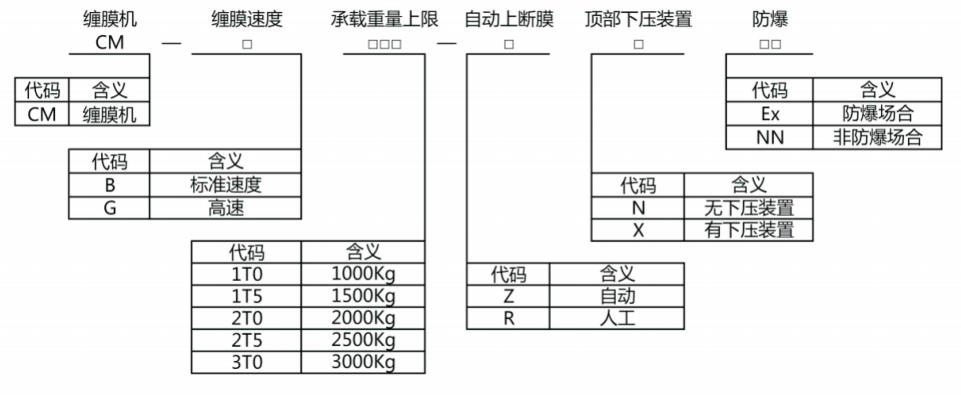
实例:CM-B1T5-ZPNEx表示缠膜机参数为:缠膜速度为标准速度,承载重量上限1500Kg,自动上断膜,无顶部下压装置,防爆场合。
缠膜速度:低速20-25托/H,高速60~90托/H。
自动进跺、自动缠膜、自动夹膜、自动断膜、自动扶膜、自动出跺、自动复位
转盘旋转、送膜、膜架升降单独电机控制,速度变频可调,缓起缓停功能
选用耐磨胶辊,使用寿命长,最小限度损伤缠绕膜,保证出膜平整、光滑、拉伸均匀
缠绕膜膜架为动力预拉伸机构,预拉伸达 300%,减小耗膜量
防爆与非防爆可选
全程 PLC 控制,PLC输入输出留有空点,留有单独计算机连接接口:并逐级设定管理控制权限
名称 | 技术参数 |
包装货物 | 产品+托盘 |
货物尺寸 | 1200*1200MM*H1600MM |
最大承载重量 | <1500KG |
| 包装效率 | 20-30托/小时 |
| 缠绕膜规格 | 膜宽500mm、膜卷φ250mm、膜芯φ78mm |
| 输送方式 | 滚筒输送 |
| 转盘高度 | 650mm+20mm |
| 外形尺寸 | 2250*3150*H2850mm |
| 整机重量 | 1500KG左右 |
| 设备材质 | 碳钢烤漆 |
| 电源 | 380V/50Hz/4Kw |
气源 | 0.4~0.7Mpa |